Radial Spherical Plain Bearings requiring maintenance
  • GEZM..ES, GEZM..ES-2RS
  • GEZM..ES, GEZM..ES-2RS
  • GEZM..ES, GEZM..ES-2RS
  • GEZM..ES, GEZM..ES-2RS
GEZM..ES, GEZM..ES-2RS

GEZM inch series radial spherical bearing with an extended inner ring on both sides; can be relubricated via lubrication holes and an annular groove in both rings. For bearing arrangements where a spacer sleeve is normally incorporated on both sides of the inner ring. C&H supply all kinds of premium quality spherical plain bearing which is made by the high quality bearing steel, processed with advanced lathing and grinding machine, heat treated with advanced heat treatment lines.

  • Description
  • Specification
  • Application
  • Cross No.

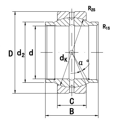
GEZM...ES   Radial spherical plain bearing with an extended inner ring on both sides, Inch, Open 


• Sliding contact surfaces: Steel/Steel
 Rings: GCr15(100Cr6,SAE52100), case hardened, surface phosphated
• outer ring with single axial fracture 
• with lubrication holes and groove in both rings
• sliding contact surfaces cated with molybdenum disulphide ( MoS2 )
• cylindrical extensions on inner ring;
  As a result,spacers are not required if the bearing is fitted in a clevis


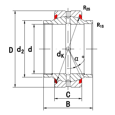
GEZM...ES-2RS   Radial spherical plain bearing with an extended inner ring on both sides, Inch, With seals 


• Sliding contact surfaces: Steel/Steel
 Rings: GCr15(100Cr6,SAE52100), case hardened, surface phosphated
• outer ring with single axial fracture 
• with lubrication holes and groove in both rings
• sliding contact surfaces cated with molybdenum disulphide ( MoS2 )
• cylindrical extensions on inner ring;
  As a result,spacers are not required if the bearing is fitted in a clevis
• lip seals on both sides
• for operating temperatures from –30 °C to +130 °C
 

 

Part Number Part Number d D B B dK Weight
    Inside Outside Inner Ring Outer Ring Spherical  
open with seals Diameter Diameter Width Width Diameter kg
GEZM008ES   12.7 22.225 19.05 9.525 18 0.024
GEZM010ES   15.875 26.998 23.8 11.913 23 0.038
GEZM012ES GEZM012ES-2RS 19.05 31.75 28.575 14.275 27.5 0.064
GEZM014ES GEZM014ES-2RS 22.225 36.513 33.325 16.662 32 0.098
GEZM100ES GEZM100ES-2RS 25.4 41.275 38.1 19.05 36.5 0.142
GEZM104ES GEZM104ES-2RS 31.75 50.8 47.625 23.8 45.5 0.271
GEZM106ES GEZM106ES-2RS 34.925 55.563 52.375 26.187 49 0.373
GEZM108ES GEZM108ES-2RS 38.1 61.913 57.15 28.575 54.7 0.494
GEZM112ES GEZM112ES-2RS 44.45 71.438 66.675 33.325 63.9 0.762
GEZM200ES GEZM200ES-2RS 50.8 80.963 76.2 38.1 73 1.11
GEZM204ES GEZM204ES-2RS 57.15 90.488 85.725 42.85 82 1.57
GEZM208ES GEZM208ES-2RS 63.5 100.013 95.25 47.625 92 2.15
GEZM212ES GEZM212ES-2RS 69.85 11.125 104.775 52.375 100 2.9
GEZM300ES GEZM300ES-2RS 76.2 120.65 114.3 57.15 109.5 3.59
GEZM304ES GEZM304ES-2RS 82.55 130.175 123.825 61.9 119 4.69
GEZM308ES GEZM308ES-2RS 88.9 139.7 133.35 66.675 128 5.86
GEZM312ES GEZM312ES-2RS 95.25 149.225 142.875 71.425 137 7.11
GEZM400ES GEZM400ES-2RS 101.6 158.75 152.4 76.2 146 8.56
GEZM408ES GEZM408ES-2RS 114.3 177.8 171.45 85.725 164.5 12.24
GEZM500ES GEZM500ES-2RS 127 196.85 190.5 95.25 183 16.63
GEZM600ES GEZM600ES-2RS 152.4 222.25 209.55 104.775 207 20.7

Long service life, high reliability and minimal maintenance are some of the features of C&H spherical plain bearings and rod ends. C&H’s wide assortment of spherical plain bearings and rod ends is versatile enough to be used in avariety of applications that encompass almost all sectors of industry, including:
• agriculture
• construction
• forklift trucks
• material handling
• metals
• mining
• railways
• trucks
• wind energy

WARNING! 
The manufacturer can not determine all applications of its prodcuts, it is up to the customer to determine a suitable part for their application. For assitance, please contact C&H Engineering Deparment.


Radial spherical plain bearings with an extended inner ring, steel/steel, inch sizes
C&H SKF RBC AURORA
GEZM008ES GEZM008ES B8-EL GEWZ008ES
GEZM010ES GEZM010ES B10-EL GEWZ010ES
GEZM012ES GEZM012ES B12-EL GEWZ012ES
GEZM014ES GEZM014ES B14-EL GEWZ014ES
GEZM100ES GEZM100ES B16-EL GEWZ016ES
GEZM104ES GEZM104ES B20-EL GEWZ020ES
GEZM106ES GEZM106ES B22-EL GEWZ022ES
GEZM108ES GEZM108ES B24-EL GEWZ024ES
GEZM112ES GEZM112ES B28-EL GEWZ028ES
GEZM200ES GEZM200ES B32-EL GEWZ032ES
GEZM204ES GEZM204ES B36-EL GEWZ036ES
GEZM208ES GEZM208ES B40-EL GEWZ040ES
GEZM212ES GEZM212ES B44-EL GEWZ044ES
GEZM300ES GEZM300ES B48-EL GEWZ048ES
GEZM304ES GEZM304ES B52-EL GEWZ052ES
GEZM308ES GEZM308ES B56-EL GEWZ056ES
GEZM312ES GEZM312ES B60-EL GEWZ060ES
GEZM400ES GEZM400ES B64-EL GEWZ064ES
GEZM408ES GEZM408ES B72-9L GEWZ072ES
GEZM500ES GEZM500ES B80-9L GEWZ080ES
GEZM600ES GEZM600ES B96-9L GEWZ096ES
       
Radial spherical plain bearings with an extended inner ring, steel/steel, inch sizes, with seals
C&H SKF RBC AURORA
GEZM012ES-2RS GEZM012ES-2RS B12-ELSS GEWZ012ES
GEZM014ES-2RS   B14-ELSS GEWZ014ES
GEZM100ES-2RS GEZM100ES-2RS B16-ELSS GEWZ016ES
GEZM104ES-2RS GEZM104ES-2RS B20-ELSS GEWZ020ES
GEZM106ES-2RS GEZM106ES-2RS B22-ELSS GEWZ022ES
GEZM108ES-2RS GEZM108ES-2RS B24-ELSS GEWZ024ES
GEZM112ES-2RS GEZM112ES-2RS B28-ELSS GEWZ028ES
GEZM200ES-2RS GEZM200ES-2RS B32-ELSS GEWZ032ES
GEZM204ES-2RS GEZM204ES-2RS B36-ELSS GEWZ036ES
GEZM208ES-2RS GEZM208ES-2RS B40-ELSS GEWZ040ES
GEZM212ES-2RS GEZM212ES-2RS B44-ELSS GEWZ044ES
GEZM300ES-2RS GEZM300ES-2RS B48-ELSS GEWZ048ES
GEZM304ES-2RS GEZM304ES-2RS B52-ELSS GEWZ052ES
GEZM308ES-2RS GEZM308ES-2RS B56-ELSS GEWZ056ES
GEZM312ES-2RS GEZM312ES-2RS B60-ELSS GEWZ060ES
GEZM400ES-2RS GEZM400ES-2RS B64-ELSS GEWZ064ES
GEZM408ES-2RS GEZM408ES-2RS B72-9LSS GEWZ072ES
GEZM500ES-2RS GEZM500ES-2RS B80-9LSS GEWZ080ES
GEZM600ES-2RS GEZM600ES-2RS B96-9LSS GEWZ096ES
Product Catalog