
S...PB, special bearing + bush, three pieces, 3-30mm
This spherical bearing unit is made of G..PB spherical bearing and steel bushing.
- Description
- Specification
- Application
- Cross No.
S...PB is made of spherical bearing G..PB and steel sleeve
Ball: bearing steel 52100, hardened, ground and polished
Outer ring: bronze, formed around the inner ring, outside diameter ground, with a lubrication groove and two lubrication holes
Steel sleeve(bushing):free-cutting steel, outside diameter ground. Spherical bearing is pressed into the outer steel bushing and secured at both sides against axial movement.However the two outer ringsshould be axial supported at mounting.
Special version: are avaiable on request
--Sliding face of inner ring 5 mm to 10 mm hard chromium plated.
Ball: bearing steel 52100, hardened, ground and polished
Outer ring: bronze, formed around the inner ring, outside diameter ground, with a lubrication groove and two lubrication holes
Steel sleeve(bushing):free-cutting steel, outside diameter ground. Spherical bearing is pressed into the outer steel bushing and secured at both sides against axial movement.However the two outer ringsshould be axial supported at mounting.
Special version: are avaiable on request
--Sliding face of inner ring 5 mm to 10 mm hard chromium plated.
--Outer case made of stainless steel.
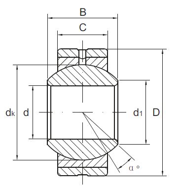
| Part | d | D | B | C | dK | Weight |
| Number | Inside | Outside | Inner Ring | Outer Ring | Spherical | |
| Diameter | Diameter | Width | Width | Diameter | kg | |
| S3PB | 3 | 12 | 6 | 4.5 | 7.9 | 0.005 |
| S5PB | 5 | 16 | 8 | 6 | 11.112 | 0.009 |
| S6PB | 6 | 18 | 9 | 6.75 | 12.7 | 0.013 |
| S8PB | 8 | 22 | 12 | 9 | 15.875 | 0.024 |
| S10PB | 10 | 26 | 14 | 10.5 | 19.05 | 0.04 |
| S12PB | 12 | 30 | 16 | 12 | 22.225 | 0.08 |
| S14PB | 14 | 34 | 19 | 13.5 | 25.4 | 0.11 |
| S16PB | 16 | 38 | 21 | 15 | 28.575 | 0.13 |
| S18PB | 18 | 42 | 23 | 16.5 | 31.75 | 0.17 |
| S20PB | 20 | 46 | 25 | 18 | 34.925 | 0.23 |
| S22PB | 22 | 50 | 28 | 20 | 38.1 | 0.28 |
| S25PB | 25 | 56 | 31 | 22 | 42.86 | 0.39 |
| S30PB | 30 | 66 | 37 | 25 | 50.8 | 0.61 |
