
- Description
- Specification
- Application
- Cross No.
COM & HCOM - Steel/Steel
Maintenance required
Outer race: carbon steel,cold formed around inner ring
Ball: GCr15 bearing steel, hardened HRC 58-64, precision ground, hard chrome plated
COM...T & HCOM...T - Steel/PTFE composie or PTFE fabric
Maintenance required
Outer race: carbon steel,cold formed around inner ring, line with PTFE composite or PTFE fabric
Ball: GCr15 bearing steel, hardened HRC 58-64, precision ground, hard chrome plated
SCOM - Steel/Steel
Maintenance required
Outer race: 300 series stainless steel ,cold formed around inner ring
Ball: 440C stainless steel, hardened, precision ground, hard chrome plated
SCOM...T - Steel/PTFE composite or PTFE fabric
Maintenance free
Outer race: 300 series stainless steel ,cold formed around inner ring
Ball: 440C stainless steel, hardened, precision ground, hard chrome plated
Maintenance required
Outer race: carbon steel,cold formed around inner ring
Ball: GCr15 bearing steel, hardened HRC 58-64, precision ground, hard chrome plated
COM...T & HCOM...T - Steel/PTFE composie or PTFE fabric
Maintenance required
Outer race: carbon steel,cold formed around inner ring, line with PTFE composite or PTFE fabric
Ball: GCr15 bearing steel, hardened HRC 58-64, precision ground, hard chrome plated
SCOM - Steel/Steel
Maintenance required
Outer race: 300 series stainless steel ,cold formed around inner ring
Ball: 440C stainless steel, hardened, precision ground, hard chrome plated
SCOM...T - Steel/PTFE composite or PTFE fabric
Maintenance free
Outer race: 300 series stainless steel ,cold formed around inner ring
Ball: 440C stainless steel, hardened, precision ground, hard chrome plated
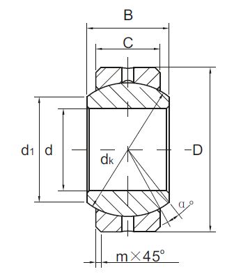
| Part | d | D | B | C | dK | Weight |
| Number | Inside | Outside | Inner Ring | Outer Ring | Ball | |
| Diameter | Diameter | Width | Width | Diameter | kg | |
| COM3 | 4.826 | 14.29 | 7.14 | 5.54 | 10.31 | 0.006 |
| COM4 | 6.35 | 16.67 | 8.71 | 6.35 | 12.7 | 0.01 |
| COM5 | 7.938 | 19.05 | 9.53 | 7.14 | 14.27 | 0.014 |
| COM6 | 9.525 | 20.64 | 10.31 | 7.92 | 16.66 | 0.017 |
| COM7 | 11.113 | 23.02 | 11.1 | 8.71 | 17.45 | 0.021 |
| COM8 | 12.7 | 25.4 | 12.7 | 9.91 | 20.65 | 0.029 |
| COM9 | 14.288 | 27.78 | 14.27 | 11.1 | 23.01 | 0.039 |
| COM10 | 15.875 | 30.16 | 15.88 | 12.7 | 25.4 | 0.05 |
| COM12 | 19.05 | 36.51 | 19.05 | 15.06 | 30.15 | 0.093 |
| COM14 | 22.225 | 39.69 | 22.23 | 17.86 | 33.32 | 0.119 |
| COM16 | 25.4 | 44.45 | 25.4 | 20.24 | 38.1 | 0.175 |
| HCOM16 | 25.4 | 50.8 | 25.4 | 19.84 | 42.85 | 0.251 |
| HCOM19 | 30.163 | 60.33 | 30.15 | 23.8 | 50.8 | 0.406 |
| HCOM20 | 31.75 | 60.33 | 30.15 | 23.8 | 50.8 | 0.406 |
| HCOM24 | 38.1 | 69.85 | 34.93 | 27.79 | 58.72 | 0.616 |
| HCOM28 | 44.45 | 79.38 | 39.67 | 31.75 | 66.68 | 0.884 |
| HCOM32 | 50.8 | 88.9 | 44.45 | 34.93 | 74.6 | 1.198 |
