Angular Contact Spherical Plain Bearings
  • Angular contact spherical plain bearing-GAC..S
  • Angular contact spherical plain bearing-GAC..S
  • Angular contact spherical plain bearing-GAC..S
  • Angular contact spherical plain bearing-GAC..S
Angular contact spherical plain bearing-GAC..S

Quality bearing steel,hardened,precision ground sliding surface.Outer race is with two cross elliptical lubricating grooves. This bearing is phosphate treated prior to coating with a dry film lubricant for corrosion resistance.

  • Description
  • Specification
  • Application
  • Cross No.
Design characteristics of angular contact spherical plain bearings requiring maintenance
Bearing rings of carbon chromium steel,hardened and phosphated,sliding surface treated with MoS2. Outer ring  have groove and lubrication holes, sliding surface with two cross elllubrication grooves. 

Lurication grooves 

Angular contact spherical plain bearing with two cross elliptical grooves

Angular contact spherical plain bearing with waffle grooves

Angular contact spherical plain bearing with diamond thread grooves


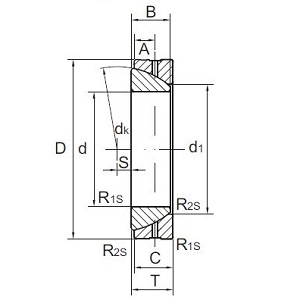
Part d D T B C dK Weight
Number Inside Outside Overall Inner Ring Outer Ring Spherical  
  Diameter Diameter Height Width Width Diameter kg
GAC25S 25 47 15 14 14 42.5 0.13
GAC28S 28 52 16 15 15 47 0.17
GAC30S 30 55 17 16 16 50 0.21
GAC32S 32 58 17 17 16 52 0.24
GAC35S 35 62 18 17 17 56 0.27
GAC40S 40 68 19 18 18 60 0.32
GAC45S 45 75 20 19 19 66 0.41
GAC50S 50 80 20 19 19 74 0.45
GAC55S 55 90 23 22 22 80 1.67
GAC60S 60 95 23 22 22 86 0.72
GAC65S 65 100 23 22 22 92 0.76
GAC70S 70 110 25 24 24 102 1
GAC75S 75 115 25 25 24 107 1.1
GAC80S 80 125 29 27 27 115 1.5
GAC85S 85 130 29 29 26.5 122 1.6
GAC90S 90 140 32 30 30 130 2.1
GAC95S 95 145 32 32 29.5 135 2.2
GAC100S 100 150 32 30 30 140 2.3
GAC105S 105 160 35 35 32.5 148 2.9
GAC110S 110 170 38 36 36 160 3.6
GAC120S 120 180 38 36 36 170 3.9
GAC130S 130 200 45 42 42 190 5.9
GAC140S 140 210 45 42 42 200 6.3
GAC150S 150 225 48 45 45 213 7.7
GAC160S 160 240 51 48 48 225 9.4
GAC170S 170 260 57 54 54 250 12
GAC180S 180 280 64 61 61 260 17
GAC190S 190 290 64 61 61 275 18
GAC200S 200 310 70 66 66 290 22.5
ELGES
RBC
C&H/LS
OTHER
GE25SX MB25-SA GAC25S GAC25S/K
GE28SX MB28-SA GAC28S GAC28S/K
GE30SX MB30-SA GAC30S GAC30S/K
GE32SX MB32-SA GAC32S GAC32S/K
GE35SX MB35-SA GAC35S GAC35S/K
GE40SX MB40-SA GAC40S GAC40S/K
GE45SX MB45-SA GAC45S GAC45S/K
GE50SX MB50-SA GAC50S GAC50S/K
GE55SX MB55-SA GAC55S GAC55S/K
GE60SX MB60-SA GAC60S GAC60S/K
GE65SX MB65-SA GAC65S GAC65S/K
GE70SX MB70-SA GAC70S GAC70S/K
GE75SX MB75-SA GAC75S GAC75S/K
GE80SX MB80-SA GAC80S GAC80S/K
GE85SX MB85-SA GAC85S GAC85S/K
GE90SX MB90-SA GAC90S GAC90S/K
GE95SX MB95-SA GAC95S GAC95S/K
GE100SX MB100-SA GAC100S GAC100S/K
GE105SX MB105-SA GAC105S GAC105S/K
GE110SX MB110-SA GAC110S GAC110S/K
GE120SX MB120-SA GAC120S GAC120S/K
GE130SX MB130-SA GAC130S GAC130S/K
GE140SX MB140-SA GAC140S GAC140S/K
GE150SX MB150-SA GAC150S GAC150S/K
GE160SX MB160-SA GAC160S GAC160S/K
GE170SX MB170-SA GAC170S GAC170S/K
GE180SX MB180-SA GAC180S GAC180S/K
GE190SX   GAC190S GAC190S/K
GE200SX   GAC200S GAC200S/K

Product Catalog