
GEG..E, GEG..ES, GEG..ES-2RS
C&H supply all kinds of premium quality spherical plain bearing which is made by the high quality bearing steel, processed with advanced lathing and grinding machine, heat treated with advanced heat treatment lines.
- Description
- Specification
- Application
- Cross No.
GEG...E Heavy duty radial spherical plain bearings
GEG...ES Heavy duty radial spherical plain bearings
GEG...ES-2RS Heavy duty radial spherical plain bearings
|
• Sliding contact surfaces: Steel/Steel • Outer ring: GCr15, case hardened HRC 58-64, surface phosphated • Inner ring(ball): GCr15, case hardened HRC 58-64, surface phosphated • Outer ring with single axial split • Without lubrication holes and groove in both rings • Sliding contact surfaces cated with molybdenum disulphide ( MoS2 ) • Properties: good wearability,corrosion resistance,self-alignment |
![]() |
GEG...ES Heavy duty radial spherical plain bearings
|
• Sliding contact surfaces: Steel/Steel • Outer ring: GCr15, case hardened HRC 58-64, surface phosphated • Inner ring(ball): GCr15, case hardened HRC 58-64, surface phosphated • Outer ring with single axial split • With lubrication holes and groove in both rings • Sliding contact surfaces cated with molybdenum disulphide ( MoS2 ) • Properties: good wearability,corrosion resistance,self-alignment |
![]() |
GEG...ES-2RS Heavy duty radial spherical plain bearings
|
• Sliding contact surfaces: Steel/Steel • Outer ring: GCr15, case hardened HRC 58-64, surface phosphated • Inner ring(ball): GCr15, case hardened HRC 58-64, surface phosphated • Outer ring with single axial split and two lip seals • With lubrication holes and groove in both rings • Sliding contact surfaces cated with molybdenum disulphide ( MoS2 ) • Properties: good wearability,corrosion resistance,self-alignment,dust-proof |
![]() |
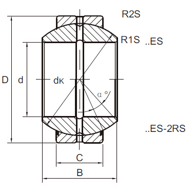
| Part | Part | d | D | B | C | dK | Weight |
| Number | Number | Inside | Outside | Inner Ring | Outer Ring | Spherical | |
| open | with seals | Diameter | Diameter | Width | Width | Diameter | kg |
| GEG4E | 4 | 14 | 7 | 4 | 10 | 0.005 | |
| GEG5E | 5 | 16 | 9 | 5 | 13 | 0.008 | |
| GEG6E | 6 | 16 | 9 | 5 | 13 | 0.006 | |
| GEG8E | 8 | 19 | 11 | 6 | 16 | 0.014 | |
| GEG10E | 10 | 22 | 12 | 7 | 18 | 0.020 | |
| GEG12E | 12 | 26 | 15 | 9 | 22 | 0.034 | |
| GEG15ES | GEG15ES-2RS | 15 | 30 | 16 | 10 | 25 | 0.046 |
| GEG17ES | GEG17ES-2RS | 17 | 35 | 20 | 12 | 29 | 0.077 |
| GEG20ES | GEG20ES-2RS | 20 | 42 | 25 | 16 | 35.5 | 0.150 |
| GEG25ES | GEG25ES-2RS | 25 | 47 | 28 | 18 | 40.7 | 0.190 |
| GEG30ES | GEG30ES-2RS | 30 | 55 | 32 | 20 | 47 | 0.290 |
| GEG35ES | GEG35ES-2RS | 35 | 62 | 35 | 22 | 53 | 0.380 |
| GEG40ES | GEG40ES-2RS | 40 | 68 | 40 | 25 | 60 | 0.540 |
| GEG45ES | GEG45ES-2RS | 45 | 75 | 43 | 28 | 66 | 0.680 |
| GEG50ES | GEG50ES-2RS | 50 | 90 | 56 | 36 | 80 | 1.14 |
| GEG60ES | GEG60ES-2RS | 60 | 105 | 63 | 40 | 92 | 2.00 |
| GEG70ES | GEG70ES-2RS | 70 | 120 | 70 | 45 | 105 | 2.90 |
| GEG80ES | GEG80ES-2RS | 80 | 130 | 75 | 50 | 115 | 3.50 |
| GEG90ES | GEG90ES-2RS | 90 | 150 | 85 | 55 | 130 | 5.40 |
| GEG100ES | GEG100ES-2RS | 100 | 160 | 85 | 55 | 140 | 5.90 |
| GEG110 ES | GEG110ES-2RS | 110 | 180 | 100 | 70 | 160 | 9.60 |
| GEG120ES | GEG120ES-2RS | 120 | 210 | 115 | 70 | 180 | 15.10 |
| GEG140ES | GEG140ES-2RS | 140 | 230 | 130 | 80 | 200 | 19.01 |
| GEG160ES | GEG160ES-2RS | 160 | 260 | 135 | 80 | 225 | 24.70 |
| GEG180ES | GEG180ES-2RS | 180 | 290 | 155 | 100 | 250 | 35.40 |
| GEG200ES | GEG200ES-2RS | 200 | 320 | 165 | 100 | 270 | 45.28 |
| GEG220ES | GEG220ES-2RS | 220 | 340 | 175 | 100 | 300 | 51.12 |
| GEG240ES | GEG240ES-2RS | 240 | 370 | 190 | 110 | 325 | 65.12 |
| GEG260ES | GEG260ES-2RS | 260 | 400 | 205 | 120 | 350 | 82.44 |
| GEG280ES | GEG280ES-2RS | 280 | 430 | 210 | 120 | 375 | 97.21 |
Long service life, high reliability and minimal maintenance are some of the features of C&H spherical plain bearings and rod ends. C&H’s wide assortment of spherical plain bearings and rod ends is versatile enough to be used in avariety of applications that encompass almost all sectors of industry, including:
• agriculture
• construction
• forklift trucks
• material handling
• metals
• mining
• railways
• trucks
• wind energy
WARNING!
The manufacturer can not determine all applications of its prodcuts, it is up to the customer to determine a suitable part for their application. For assitance, please contact C&H Engineering Deparment.
| INTERCHANGE OF HEAVY DUTY RADIAL SPHERICAL PLAIN BEARNGS METRIC OPEN | |||||
| C&H | SKF | EAGLES | TORRINGTON | RBC | IKO |
| GEG4E | |||||
| GEG5E | |||||
| GEG6E | GE6FO | GE6G | |||
| GEG8E | GE8FO | GE8G | |||
| GEG10E | GE10FO | GE10G | |||
| GEG12E | GE12FO | 12FSH26 | MBH1215 | GE12G | |
| GEG14ES | 14FSH30 | ||||
| GEG15ES | GEH15ES | GE15FO | MBH1517 | GE15GS | |
| GEG17ES | GEH17ES | GE17FO | MBH1720 | GE17GS | |
| GEG20ES | GEH20ES | GE20FO | 20FSH42 | MBH2025 | GE20GS |
| GEG25ES | GEH25ES | GE25FO | MBH2530 | GE25GS | |
| GEG30ES | GEH30ES | GE30FO | 30FSH55 | MBH3035 | GE30GS |
| GEG35ES | GEH35ES | GE35FO | 35FSH62 | MBH3540 | GE35GS |
| GEG40ES | GEH40ES | GE40FO | 40FSH68 | MBH4045 | GE40GS |
| GEG45ES | GEH45ES | GE45FO | 45FSH75 | MBH4550 | GE45GS |
| GEG50ES | GEH50ES | GE50FO | 50FSH90 | MBH5060 | GE50GS |
| GEG60ES | GEH60ES | GE60FO | 60FSH105 | MBH6070 | GE60GS |
| GEG70ES | GEH70ES | GE70FO | 70FSH120 | MBH7080 | GE70GS |
| GEG80ES | GEH80ES | GE80FO | 80FSH130 | MBH8090 | GE80GS |
| GEG90ES | GEH90ES | GE90FO | 90FSH150 | MBH90100 | GE90GS |
| GEG100ES | GEH100ES | GE100FO | 100FSH160 | MBH100110 | GE100GS |
| GEG110ES | GEH110ES | GE110FO | 110FSH180 | MBH110120 | GE110GS |
| GEG120ES | GEH120ES | GE120FO | 120FSH210 | MBH120140 | GE120GS |
| GEG140ES | GEH140ES | GE140FO | 140FSH230 | MBH140160-9L | GE140GS |
| GEG160ES | GEH160ES | GE160FO | 160FSH260 | MBH160180-9L | GE160GS |
| GEG180ES | GEH180ES | GE180FO | 180FSH290 | MBH180200-9L | GE180GS |
| GEG200ES | GEH200ES | GE200FO | 200FSH320 | MBH200220-9L | GE200GS |
| GEG220ES | GEH220ES | GE220FO | 220FSH340 | MBH220240-9L | GE220GS |
| GEG240ES | GEH240ES | GE240FO | 240FSH370 | MBH240260-9L | GE240GS |
| GEG260ES | GEH260ES | GE260FO | 260FSH400 | MBH260280-9L | GE260GS |
| GEG280ES | GEH280ES | GE 280FO | 280FSH430 | MBH280300-9L | GE280GS |
| INTERCHANGE OF HEAVY DUTY RADIAL SPHERICAL PLAIN BEARNG METRIC SEALED | |||||
| C&H | SKF | EAGLES | TORRINGTON | RBC | IKO |
| GEG15ES-2RS | GEH15ES-2RS | GE15FO-2RS | MBH1517-SS | GE15GS-2RS | |
| GEG17ES-2RS | GEH17ES-2RS | GE17FO-2RS | MBH1720-SS | GE17GS-2RS | |
| GEG20ES-2RS | GEH20ES-2RS | GE20FO-2RS | 20FSH42-TT | MBH2025-SS | GE20GS-2RS |
| GEG25ES-2RS | GEH25ES-2RS | GE25FO-2RS | MBH2530-SS | GE25GS-2RS | |
| GEG30ES-2RS | GEH30ES-2RS | GE30FO-2RS | 30FSH55-TT | MBH3035-SS | GE30GS-2RS |
| GEG35ES-2RS | GEH35ES-2RS | GE35FO-2RS | 35FSH62-TT | MBH3540-SS | GE35GS-2RS |
| GEG40ES-2RS | GEH40ES-2RS | GE40FO-2RS | 40FSH68-TT | MBH4045-SS | GE40GS-2RS |
| GEG45ES-2RS | GEH45ES-2RS | GE45FO-2RS | 45FSH75-TT | MBH4550-SS | GE45GS-2RS |
| GEG50ES-2RS | GEH50ES-2RS | GE50FO-2RS | 50FSH90-TT | MBH5060-SS | GE50GS-2RS |
| GEG60ES-2RS | GEH60ES-2RS | GE60FO-2RS | 60FSH105-SS | MBH6070-SS | GE60GS-2RS |
| GEG70ES-2RS | GEH70ES-2RS | GE70FO-2RS | 70FSH120-SS | MBH7080-SS | GE70GS-2RS |
| GEG80ES-2RS | GEH80ES-2RS | GE80FO-2RS | 80FSH130-SS | MBH8090-SS | GE80GS-2RS |
| GEG90ES-2RS | GEH90ES-2RS | GE90FO-2RS | 90FSH150-SS | MBH90100-SS | GE90GS-2RS |
| GEG100ES-2RS | GEH100ES-2RS | GE100FO-2RS | 100FSH160-SS | MBH100110-SS | GE100GS-2RS |
| GEG110ES-2RS | GEH110ES-2RS | GE110FO-2RS | 110FSH180-SS | MBH110120-SS | GE110GS-2RS |
| GEG120ES-2RS | GEH120ES-2RS | GE120FO-2RS | 120FSH210-SS | MBH120140-SS | GE120GS-2RS |
| GEG140ES-2RS | GEH140ES-2RS | GE140FO-2RS | 140FSH230-SS | MBH140160-9LSS | GE140GS-2RS |
| GEG160ES-2RS | GEH160ES-2RS | GE160FO-2RS | 160FSH260-SS | MBH160180-9LSS | GE160GS-2RS |
| GEG180ES-2RS | GEH180ES-2RS | GE180FO-2RS | 180FSH290-SS | MBH180200-9LSS | GE180GS-2RS |
| GEG200ES-2RS | GEH200ES-2RS | GE200FO-2RS | 200FSH320-SS | MBH200220-9LSS | GE200GS-2RS |
| GEG220ES-2RS | GEH220ES-2RS | GE220FO-2RS | 220FSH340-SS | MBH220240-9LSS | GE220GS-2RS |
| GEG240ES-2RS | GEH240ES-2RS | GE240FO-2RS | 240FSH370-SS | MBH240260-9LSS | GE240GS-2RS |
| GEG260ES-2RS | GEH260ES-2RS | GE260FO-2RS | 260FSH400-SS | MBH260280-9LSS | GE260GS-2RS |
| GEG280ES-2RS | GEH280ES-2RS | GE 280FO-2RS | 280FSH430-SS | MBH280300-9LSS | GE280GS-2RS |
NOTE
This interchange table shows approximate equivalency.It is not intended that all of manufacturers' products are functionally interchangeale in all applications.C&H reserves the right to change specifications and other information included in this catalog without notice.All information,data, and dimensions tables in this catalog have been carefully compiled and thoroughly checked. However, no responsibility for possible errors or omissions can be assumed.






