
SG Track roller
The function of series SG rollers are same as the series LFR rollers. But they are mainly used in the flat track and in the condition required compact structure. After rollers are installed to the slider, the shaft will be not or seldom over the roller's side planes
- Description
- Specification
- Application
- Cross No.
Features
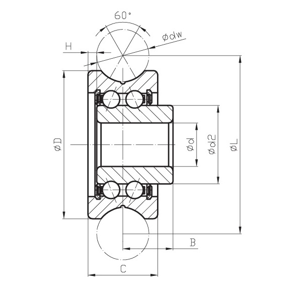
• double row angular contact ball and thicker outer rings with gothic arch groove profile
• there are two points contact ( 60 degree) between Gothic Arch Groove profile and shaft
• high quality carbon-chrome steel AISI 52100 steel or stainless steel AISI 440 C
• The cage is made from nylon with fiberglass fill 25% ( PA66 GF25)
• high quality carbon-chrome steel AISI 52100 steel or stainless steel AISI 440 C
• The cage is made from nylon with fiberglass fill 25% ( PA66 GF25)
| Designation | Dimensions (mm) | Load Ratings(kn) | Mass | ||||||||
| dw | d | D | C | B | L | d2 | H | Dyn | Static | ≈(kg) | |
| SG15 | 6 | 5 | 17 | 8 | 5.75 | 20.46 | 8.6 | 1 | 1.27 | 0.82 | 0.008 |
| SG15-10 | 10 | 5 | 17 | 8 | 5.75 | 25.5 | 8.6 | 1 | 1.27 | 0.82 | 0.009 |
| SG20 | 8 | 6 | 24 | 11 | 7.25 | 28.62 | 11.1 | 1.2 | 3.4 | 1.7 | 0.025 |
| SG25 | 10 | 8 | 30 | 14 | 8.5 | 35.77 | 13 | 1.5 | 3.67 | 2.28 | 0.049 |
| SG35 | 12 | 12 | 42 | 19 | 12.5 | 48.93 | 18 | 1.5 | 8.5 | 5.1 | 0.136 |
| SG15N | 6 | 5 | 17 | 8 | 5.75 | 20.46 | 8.6 | 0.5 | 1.27 | 0.82 | 0.008 |
| SG20N | 8 | 6 | 24 | 11 | 7.25 | 28.62 | 11.1 | 0.7 | 3.4 | 1.7 | 0.025 |
| SG25N | 10 | 8 | 30 | 14 | 8.5 | 35.77 | 13 | 1 | 3.67 | 2.28 | 0.049 |
| SG35N | 12 | 12 | 42 | 19 | 12.5 | 48.93 | 18 | 1 | 8.5 | 5.1 | 0.136 |
1. Bore ID and OD tolerance is +0-0.008. Width tolerance is +0-0.12
2. Permanent grease fill with Shell Alvania grease RLS2
3. Available with SPCC shields or acrylonitrile-butadiene steel sheet reinforced (NBR) seals
3. Available with SPCC shields or acrylonitrile-butadiene steel sheet reinforced (NBR) seals
The function of series SG rollers are same as the series LFR rollers. But they are mainly used in the flat track and in the condition required compact structure. After rollers are installed to the slider, the shaft will be not or seldom over the roller's side planes


