• LV guide wheel
  • LV guide wheel
  • LV guide wheel
  • LV guide wheel
LV guide wheel

LV guide wheels can be widely used in the cylindrical track or " V " profile track with an angle of 120 degrees.Different from the series LFR bearings, series LV bearings are more adaptable to the different track sizes. Each type can be applied with a larger range of track diameters.They are widely used for the heavy-duty track, mobile equipment, wire straightening machine and so on.

  • Description
  • Specification
  • Application
  • Cross No.

Features

• Precision double row angular contact ball bearings with W profile outer ring
• Rings and Balls- Ultra clean 52100 Bearing Steel or AISI440C stainless steel
• Grease-Chevron SRI Grease 2
• Seals- Sheet steel reinforced contact seal of acrylonitrile-butadiene rubber
• Shields-carbon sheet steel or SUS304C stainless steel sheet 
• Cage-Nylon with fiberglass fill 25% (PA66 GF25)
C&H
Principle Dimensions (mm)
Mass
Inerchage
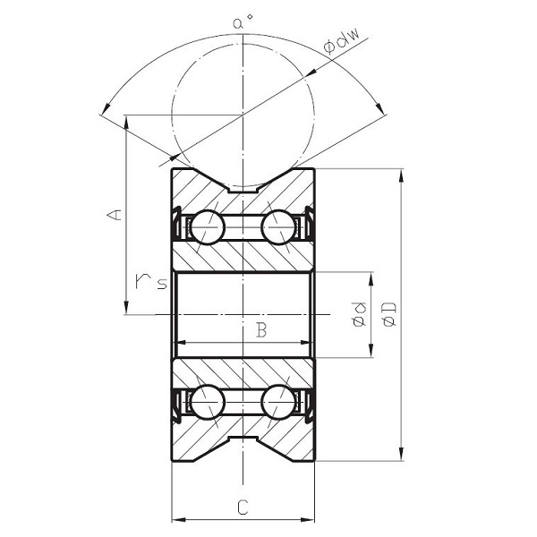
dw
D
B
C
A
α
rs
≈(kg)
LV20/7 10 7 22 11 11 14.5 120 0.3 0.017 RV 20/7-10
LV20/8 10 8 30 14 14 18.1 120 0.3 0.049 RV 20/8-10
LV 201-14 14 12 39.9 20.1 18 24 100 0.5 0.107  
LV 201 20 12 41 20 20 28 120 0.3 0.13 RV 201/12-20
LV 202-38 10 15 38 17 17 22.3 120 0.5 0.087 RV 202/15.38-10
LV 202-40 10 15 40 18 18 22 120 0.5 0.11 RV 202/15.40-10
LV 202-41 20 15 41 20 20 28 120 0.5 0.116 RV 202/15.41-20
LV 203 20 17 58 25 25 35 120 0.5 0.325 RV 203/17-20
LV 204-57 30 20 57 22 22 41 120 0.6 0.29 RV 204/20.57-30
LV 204-58 30 20 58 25 25 41 120 0.6 0.31 RV 204/20.58-30
1. Bore diameter +0/-0.008mm, outer diameter ±0.013mm, width +0/-0.008mm.
2. Avialave with AISI52100 and stainless steel AISI440C. 
3. Avaible with metel shileds (suffix"ZZ")and rubber seals (suffix"2RS")
4. Shell Alvania S2 or Customer-sperified lubricants.
C&H
Principle Dimensions (mm)
Mass
Inerchage
dw
D
B
C
A
α
rs
≈(kg)
LV20/7 10 7 22 11 11 14.5 120 0.3 0.017 RV 20/7-10
LV20/8 10 8 30 14 14 18.1 120 0.3 0.049 RV 20/8-10
LV 201-14 14 12 39.9 20.1 18 24 100 0.5 0.107  
LV 201 20 12 41 20 20 28 120 0.3 0.13 RV 201/12-20
LV 202-38 10 15 38 17 17 22.3 120 0.5 0.087 RV 202/15.38-10
LV 202-40 10 15 40 18 18 22 120 0.5 0.11 RV 202/15.40-10
LV 202-41 20 15 41 20 20 28 120 0.5 0.116 RV 202/15.41-20
LV 203 20 17 58 25 25 35 120 0.5 0.325 RV 203/17-20
LV 204-57 30 20 57 22 22 41 120 0.6 0.29 RV 204/20.57-30
LV 204-58 30 20 58 25 25 41 120 0.6 0.31 RV 204/20.58-30


LV guide wheels can be widely used in the cylindrical track or " V " profile track with an angle of 120 degrees.Different from the series LFR bearings, series LV bearings are more adaptable to the different track sizes. Each type can be applied with a larger range of track diameters.
They are widely used for the
• heavy-duty track
• mobile equipment
• wire straightening machine and so on
 
C&H
Principle Dimensions (mm)
Mass
Inerchage
dw
D
B
C
A
α
rs
≈(kg)
LV20/7 10 7 22 11 11 14.5 120 0.3 0.017 RV 20/7-10
LV20/8 10 8 30 14 14 18.1 120 0.3 0.049 RV 20/8-10
LV 201-14 14 12 39.9 20.1 18 24 100 0.5 0.107  
LV 201 20 12 41 20 20 28 120 0.3 0.13 RV 201/12-20
LV 202-38 10 15 38 17 17 22.3 120 0.5 0.087 RV 202/15.38-10
LV 202-40 10 15 40 18 18 22 120 0.5 0.11 RV 202/15.40-10
LV 202-41 20 15 41 20 20 28 120 0.5 0.116 RV 202/15.41-20
LV 203 20 17 58 25 25 35 120 0.5 0.325 RV 203/17-20
LV 204-57 30 20 57 22 22 41 120 0.6 0.29 RV 204/20.57-30
LV 204-58 30 20 58 25 25 41 120 0.6 0.31 RV 204/20.58-30


Product Catalog