
Maintenance free thrust spherical plain bearing GE..AW
Quality carbon chromium steel rings,through hardened, precision ground sliding contact surface.The sliding contact surface of outer ring is lined with excellent quality PTFE fabric,the sliding surface of inner ring is hard chromium plated.
- Description
- Specification
- Application
- Cross No.
Design characteristics of maintenance free thrust spherical plain bearings
The inner and outer rings are made of bearing steel that has been through-hardened and ground. There is two different sliding layer material: PTFE fabric and PTFE plastic (fibre reinforced polymer, containing PTFE, is injection moulded onto the outer ring). The sliding surface of the inner ring is hard chromium plated and coated with a lithium base grease.
Sliding contact surface
|
|
|
|
|
steel-on-steel GE...AX |
steel-on-PTFE fabric GE....AW |
steel-on-PTEF palstic GX...N |
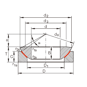
| Part | d | D | T | B | C | dK | Weight |
| Number | Inside | Outside | Overall | Inner Ring | Outer Ring | Spherical | |
| Diameter | Diameter | Height | Width | Width | Diameter | kg | |
| GE10AW | 10 | 30 | 9.5 | 7.9 | 6 | 32 | 0.04 |
| GE12AW | 12 | 35 | 13 | 9.3 | 9 | 37 | 0.07 |
| GE15AW | 15 | 42 | 15 | 10.7 | 11 | 45 | 0.12 |
| GE17AW | 17 | 47 | 16 | 11.5 | 11.5 | 50 | 0.16 |
| GE20AW | 20 | 55 | 20 | 14.3 | 13 | 60 | 0.25 |
| GE25AW | 25 | 62 | 22.5 | 16 | 17 | 66 | 0.38 |
| GE30AW | 30 | 75 | 26 | 18 | 19.5 | 80 | 0.65 |
| GE35AW | 35 | 90 | 28 | 22 | 20 | 98 | 1 |
| GE40AW | 40 | 105 | 32 | 27 | 22 | 114 | 1.6 |
| GE45AW | 45 | 120 | 36.5 | 31 | 25 | 130 | 2.4 |
| GE50AW | 50 | 130 | 42.5 | 33.5 | 32 | 140 | 3.3 |
| GE60AW | 60 | 150 | 45 | 37 | 33 | 160 | 4.5 |
| GE70AW | 70 | 160 | 50 | 40 | 36 | 170 | 5.5 |
| GE80AW | 80 | 180 | 50 | 42 | 36 | 194 | 7 |
| GE100AW | 100 | 210 | 59 | 50 | 42 | 220 | 10.5 |
| GE120AW | 120 | 230 | 64 | 52 | 45 | 245 | 13 |
| GE140AW | 140 | 260 | 72 | 61 | 50 | 272 | 18 |
| GE160AW | 160 | 290 | 77 | 65 | 52 | 310 | 23 |
| GE180AW | 180 | 320 | 86 | 70 | 60 | 335 | 31 |
| GE200AW | 200 | 340 | 87 | 74 | 60 | 358 | 34 |
| GE220AW | 220 | 370 | 97 | 82 | 67 | 388 | 44.5 |
| GE240AW | 240 | 400 | 103 | 87 | 73 | 420 | 55 |
| GE260AW | 260 | 430 | 115 | 95 | 80 | 449 | 69 |
| GE280AW | 280 | 460 | 110 | 100 | 85 | 480 | 82 |
| GE300AW | 300 | 480 | 110 | 100 | 90 | 490 | 87 |
| GE320AW | 320 | 520 | 116 | 105 | 91 | 540 | 109 |
| GE340AW | 340 | 540 | 116 | 105 | 91 | 550 | 114 |
| GE360AW | 360 | 560 | 125 | 115 | 95 | 575 | 129 |
| C&H | ELGES | LS |
| GE10AW | GE10AW | GX10T |
| GE12AW | GE12AW | GX12T |
| GE15AW | GE15AW | GX15T |
| GE17AW | GE17AW | GX17T |
| GE20AW | GE20AW | GX20T |
| GE25AW | GE25AW | GX25T |
| GE30AW | GE30AW | GX30T |
| GE35AW | GE35AW | GX35T |
| GE40AW | GE40AW | GX40T |
| GE45AW | GE45AW | GX45T |
| GE50AW | GE50AW | GX50T |
| GE60AW | GE60AW | GX60T |
| GE70AW | GE70AW | GX70T |
| GE80AW | GE80AW | GX80T |
| GE100AW | GE100AW | GX100T |
| GE120AW | GE120AW | GX120T |
| GE140AW | GE140AW | GX140T |
| GE160AW | GE160AW | GX160T |
| GE180AW | GE180AW | GX180T |
| GE200AW | GE200AW | GX200T |
| GE220AW | GE220AW | GX220T |
| GE240AW | GE240AW | GX240T |
| GE260AW | GE260AW | GX260T |
| GE280AW | GE280AW | GX280T |
| GE300AW | GE300AW | GX300T |
| GE320AW | GE320AW | GX320T |
| GE340AW | GE340AW | GX340T |
| GE360AW | GE360AW | GX360T |


