• Description
  • Specification
  • Application
  • Cross No.
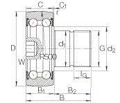
Code
D
d1
B
B1 
B2
C
C1
d2
G
 
mm
mm mm
max
mm mm mm mm mm
KR5201-2RS
35
12
49,2
17
32,5
15,9
0,8
17,1
M12X1,5 
KR5202-2RS
40
16
53,2
17
36,5
15,9
0,8
20
M16X1,5 
KR5203-2RS
47
18
58,8
18,5
40,5
17,5
0,8
22,9
M18X1,5 
KR5204-2RS
52
20
63,6
22,5
41,5
20,6
1,5
26,8
M20X1,5 
KR5205-2RS
62
24
70,9
21,5
49,5
20,6
0,8
30,3
M24X1,5 
KR5206-2RS
72
24
74,1
25
49,5
23,8
0,8
37,3
M24X1,5 
KR5207-2RS
80
30
91
28
63
27
1
42,4
M30X1,5 
Continued
Code
IG
R
rmin
W
mass
MA
Cr w
C0r w
Cur w
nD G
  mm mm mm mm kg Nm  N N N 1/min
KR5201-2RS 17 500 0,6 6 0,12 45 8700 5200 260 7500
KR5202-2RS 19 500 0,6 8 0,19 70 10000 6300 320 7000
KR5203-2RS 21 500 0,6 8 0,29 115 12800 8400 420 5500
KR5204-2RS 21 500 1 10 0,38 160 16100 10700 550 5000
KR5205-2RS 25 500 1 10 0,58 290 18800 13200 670 4500
KR5206-2RS 25 500 1 10 0,8 290 25000 18000 930 3500
KR5207-2RS 32 500 1,1 12 1,2 600 31000 22800 1200 2800

Product Catalog