Maintenance free radial spherical plain bearings
  • SGE..UK and SGE..FW stainless steel spherical plain bearings,stainless steel/PTFE composite
  • SGE..UK and SGE..FW stainless steel spherical plain bearings,stainless steel/PTFE composite
  • SGE..UK and SGE..FW stainless steel spherical plain bearings,stainless steel/PTFE composite
  • SGE..UK and SGE..FW stainless steel spherical plain bearings,stainless steel/PTFE composite
SGE..UK and SGE..FW stainless steel spherical plain bearings,stainless steel/PTFE composite

Full stainless steel,ball sliding surface is precision ground, outer race is lined with PTFE composite.Outer ring is pressed around inner ring.

  • Description
  • Specification
  • Application
  • Cross No.

Same dimension of GE..UK and GE...FW, Maitenance free 

Sliding contact surface: Stainless Steel/PTFE

SGE..UK and SGE..FW Series is 2-piece metric range of general purpose spherical plain bearings incorporating a thin PTFE composite between the ball and the outer ring, suitable for high shock loads and medium to heavy industrial/mechanical load applications requiring low friction. They do not require maintenance.

Material Specifications
--Outer ring: Stainless Steel 304
-- Liner: PTFE composite.
--Ball: Stainless Steel 440C
--Temperature Range: -50°C to +150°C
--ELV & RoHS compliant

Features
 --Low friction, Self-lubricating, High shock loads, Extended wear life, No maintenance

Material Specifications for high temperature 
--Outer ring: Stainless Steel 304
--Liner: High Temperature PTFE composite.
--Ball: Stainless Steel 440C
--Temperature Range: -200°C to +260°C
--ELV & RoHS compliant

Important Warning Notice: Please be aware that as the manufacturer is unable to determine which application a part will be used in, it's the end users responsibility to determine if the part purchased is suitable for the intended use. Where safety is a factor incorrect application or installation may result in damaged property or injury or death.
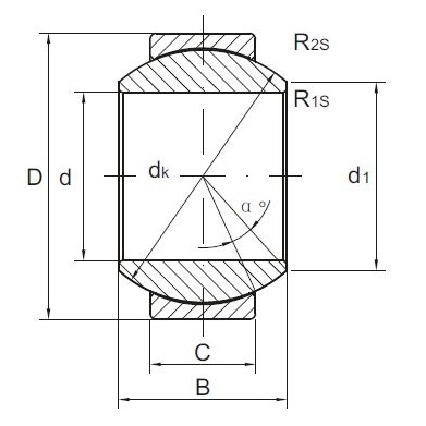
Part  d D B C dK Weight SKF
Number Inside Outside Inner Ring Outer Ring Spherical    
  Diameter Diameter Width Width Diameter kg  
SGE 4 UK 4 12 5 3 8 0.003  
SGE 6 UK 6 14 6 4 10 0.004  
SGE 8 UK 8 16 8 5 13 0.008  
SGE 10 UK 10 19 9 6 16 0.011  
SGE 12 UK 12 22 10 7 18 0.015 GE 12 TXGR
SGE 15 UK 15 26 12 9 22 0.027 GE 15 TXGR
SGE 17 UK 17 30 14 10 25 0.041 GE 17 TXGR
SGE 20 UK 20 35 16 12 29 0.066  
SGE 25 UK 25 42 20 16 35.5 0.119  
SGE 30 UK 30 47 22 18 40.7 0.163  
               
SGE 6 FW 6 16 9 5 13 0.008  
SGE 8 FW 8 19 11 6 16 0.014  
SGE 10 FW 10 22 12 7 18 0.021  
SGE 12 FW 12 26 15 9 22 0.033  
SGE 15 FW 15 30 16 10 25 0.049  
SGE 17 FW 17 35 20 12 29 0.083  
SGE 20 FW 20 42 25 16 35.5 0.153  
SGE 25 FW 25 47 28 18 40.7 0.203  
SGE 30 FW 30 55 32 20 47 0.304  
Product Catalog