Maintenance free radial spherical plain bearings
  • GE..N maintenance free  radial spherical plain bearings,Steel on PTFE plastic
  • GE..N maintenance free  radial spherical plain bearings,Steel on PTFE plastic
  • GE..N maintenance free  radial spherical plain bearings,Steel on PTFE plastic
  • GE..N maintenance free  radial spherical plain bearings,Steel on PTFE plastic
GE..N maintenance free radial spherical plain bearings,Steel on PTFE plastic

  • Description
  • Specification
  • Application
  • Cross No.

Same dimension of GE  and GEG series 

Sliding contact surface: Hard chromium/PTFE plastic 

Material Specifications
--Outer ring: 52100 bearing steel,hardened and ground,lined with PTFE plastic 
-- Liner: PTFE plastic
--Ball: 52100 bearing steel,hardened and ground,harde chromium plated 
--Temperature Range: -40°C to +75°C
--ELV & RoHS compliant

Features
 --Low friction, Self-lubricating, High shock loads, Extended wear life, Maintenance free

Important Warning Notice: Please be aware that as the manufacturer is unable to determine which application a part will be used in, it's the end users responsibility to determine if the part purchased is suitable for the intended use. Where safety is a factor incorrect application or installation may result in damaged property or injury or death.
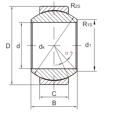
Part  d D B C dk Weight
Number Inside Outsdie Inner Ring Outer Ring Spherical  
  Diameter Diameter Width Width Diameter Kg
GE 10 N 10 19 9 6 16 0.011
GE 12 N 12 22 10 7 18 0.016
GE 15 N 15 26 12 9 22 0.026
GE 17 N 17 30 14 10 25 0.043
GE 20 N 20 35 16 12 29 0.061
GE 25 N 25 42 20 16 35.5 0.11
GE 30 N 30 47 22 18 40.7 0.14
GE 35 N 35 55 25 20 47 0.22
GE 40 N 40 62 28 22 53 0.3
GE 45 N 45 68 32 25 60 0.41
GE 50 N 50 75 35 28 66 0.53
GE 60 N 60 90 44 36 80 1
             
GEG 8 N 8 19 11 6 16 0.014
GEG10 N 10 22 12 7 18 0.02
GEG 12 N 12 26 15 9 22 0.034
GEG 15 N 15 30 16 10 25 0.046
GEG 17 N 17 35 20 12 29 0.077
GEG 20 N 20 42 25 16 35.5 0.15
GEG 25 N 25 47 28 18 40.7 0.19
GEG 30 N 30 55 32 20 47 0.29
GEG 35 N 35 62 35 22 53 0.38
GEG 40 N 40 68 40 25 60 0.54
GEG 45 N 45 75 43 28 66 0.68
GEG 50 N 50 90 56 36 80 1.14
Product Catalog